Батарейка часовая Renata 341, V341, SR714SW, 627 - 538941
-33%
-
ДоставкаОтправка в день заказа (оформление до 15:00)
-
SMS-информирование- ТТН отправки
- прибытие на отделение -
ОплатаVisa/MasterCard, Приват24, Монобанк, безнал для юр. лиц, при получении
Серебряно - цинковая батарейка Renata 341 / SR 714 SW применяется как элемент питания для часов (часовая батарейка). Батарейка часовая (кнопочная) является элементом питания таблеточного типа и предназначена для продолжительного применения в устройствах с небольшими стабильными токами потребления: аналоговые и электронные часы без дополнительных функций.
Характеристики:
- Тип: батарейка
- Химическая система: оксид-серебряная, безртутная (Ag2O/Zn, low drain)
- Типоразмер: 341 / SR714SW
- Напряжение: 1.55V
- Ёмкость: 15 mAh
- Температурный диапазон: -10 °C ÷ +60 °C
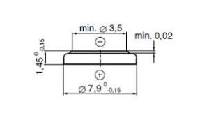
- Диаметр: 7.9 мм
- Высота: 1.45 мм
- Вес: 0.29 г
| Предназначение | для часов |
| Страна регистрации бренда | Швейцария |
| Состояние | новое |
| Бренд | Renata |
| Класс качества | оригинал |
| Условия возврата | Обмен/возврат товара в течение 14 дней. |






